SLS-1075 Czujnik pływakowy prosty 75mm
Czujnik pływakowy prosty
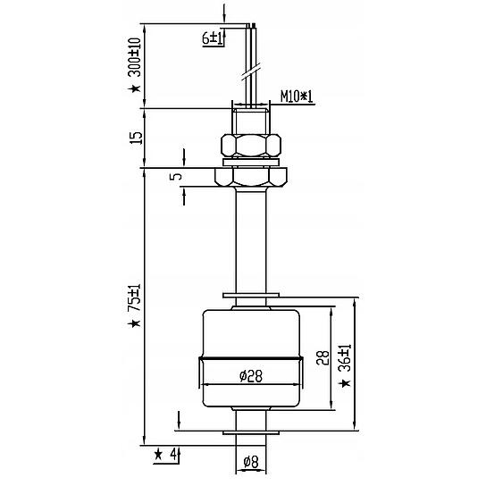
długość: 75mm
moc przełączania: 50W
temp. pracy: -30 ~+125 °C
materiał: stal nierdzewna
- Zamów w ciągu -- a wyślemy
- Wysyłka w 24h
- Kod produktu: 3556
- Zamów telefonicznie 15 687 49 91
- Dostawa do paczkomatu

Czujnik pływakowy SLS-1075-SS-2A1A
Posiada zastosowanie wszędzie tam gdzie niezbędna jest kontrola i regulacja poziomu cieczy (np. wody, oleju itp.).
Czujnik posiada pływak wyposażony w magnes, który przesuwa się pionowo wzdłuż rurki prowadzącej pod wpływem siły wyporu cieczy powodując zwieranie lub rozwieranie kontaktronu.
Montuje się je zazwyczaj w dnie lub pokrywie zbiornika, tak więc mogą służyć do kontroli dolnego lub górnego poziomu cieczy. Poprzez zmianę położenia pływaka uzyskuje się zmianę funkcji kontaktronu ze zwiernego na rozwierny.
Posiadamy w ofercie pływaki od 45mm do 500mm sprawdź nasze pozostałe produkty.
Dane techniczne:
- Max. napięcie przełączalne: 300V AC/DC
- Max. prąd przełączalny: 0,5A
- Max. moc przełączania: 50W
- Długość pływaka od śruby: 75mm
- Temperatura pracy: -30 ~+125 °C
- Długość przewodów: 25cm
- Materiał: stal nierdzewna SUS304




Tryb pracy pływaka:
1. Normalnie otwarty - gdy poziom cieczy opadnie poniżej poziomu czujnika obwód zostanie rozłączony
2. Normalnie zamknięty - gdy poziom cieczy opadnie poniżej poziomu czujnika obwód zostanie załączony
Instrukcja zmiany trybu pracy pływaka:
1. Pływak pracujący w trybie normalnie otwarty.
2. Należy zdjąć zawleczkę uważając aby pływak nie zsunął się z czujnika.
3. Obrócić pływak o 180°.
4. Nałożyć pływak na czujnik.
5. Zainstalować zawleczkę zabezpieczającą.
6. Pływak pracujący w trybie normalnie zamknięty.
Operację można wykonać ponownie i dostosować do własnych wymagań.

Przykład użycia:
1. Automatyczne napełnianie zbiornika
2. Alarm ostrzegający przed przepełnieniem zbiornika, wypompowywanie wody powyżej pływaka, zawór bezpieczeństwa.


Zalety tego rozwiązania:
- Bezpieczne napięcie zasilające przekaźnik ssr i pływak (możliwość użycia napięcia z zakresu: 3 do 24VDC),
- Wysoka niezawodność za sprawą przekaźnika ssr
- Automatyzacja napełniania bądź opróżniania zbiornika - alarmu
- Brak kontaktu napięcia sieciowego z cieczą w zbiornika
Pliki do pobrania
Gwarancja
Gwarancja 24 miesiące dla paragonu lub faktury bez podanego NIP
Gwarancja 12 miesięcy dla firmy
Szczegóły dotyczące zgodności produktu z przepisami: Bezpieczeństwo, zgodność i ostrzeżenia