SLT-L13-SS-2A
Włącznik pływakowy czujnik przełącznik cieczy 1/2"
max. napięcie przełączalne: 300v ac/dc
max. prąd przełączalny: 0,5a
max. moc przełączania: 50w
temperatura pracy: -10 ~+85 °c
długość przewodów: 30cm
materiał: polipropylen
- Zamów w ciągu -- a wyślemy
- Wysyłka w 24h
- Kod produktu: 3565
- Zamów telefonicznie 15 687 49 91
- Dostawa do paczkomatu

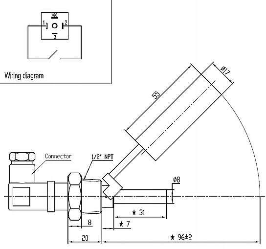
Czujnik pływakowy poziomy, No: SLT-L13-SS-2A
Właściwości:
Czujnik poziomu cieczy (włącznik/wyłącznik) pływakowy. Przeznaczony do montażu bocznego z zewnętrznej strony zbiornika, za pomocą kołnierza uszczelniającego. Sonda może kontrolować górny jak i dolny poziom cieczy w zbiorniku. Czujnik posiada pływak z wbudowanym magnesem. Ciecz siłą wyporu przesuwa pływak, po rurce, co powoduje zwieranie lub rozwieranie wbudowanego kontaktronu. Czujnik można stosować do różnego rodzaju cieczy np. woda, ścieki, olej.
Dane techniczne:
- Max. napięcie przełączalne: 300V AC/DC
- Max. prąd przełączalny: 0,5A
- Max. moc przełączania: 50W
- Temperatura pracy: -10 ~+85 °C
- Długość przewodów: 30cm
- Materiał: polipropylen
- Układ styków: NO (normalnie otwarty) lub NC (normalnie zamknięty) zależnie od montażu
- Mocowanie: gwint zewnętrzny 1/2"



Przykład użycia:
1. Automatyczne napełnianie zbiornika
2. Alarm ostrzegający przed przepełnieniem zbiornika, wypompowywanie wody powyżej pływaka, zawór bezpieczeństwa.


Zalety tego rozwiązania:
- Bezpieczne napięcie zasilające przekaźnik ssr i pływak (możliwość użycia napięcia z zakresu: 3 do 24VDC),
- Wysoka niezawodność za sprawą przekaźnika ssr
- Automatyzacja napełniania bądź opróżniania zbiornika - alarmu
- Brak kontaktu napięcia sieciowego z cieczą w zbiornika
Pliki do pobrania
Gwarancja
Gwarancja 24 miesiące dla paragonu lub faktury bez podanego NIP
Gwarancja 12 miesięcy dla firmy
Szczegóły dotyczące zgodności produktu z przepisami: Bezpieczeństwo, zgodność i ostrzeżenia